Milling Attachment, Mini Lathe
Milling Attachment, Mini Lathe
In stock
SKU:1681Shelf Location: (F01 - 03)
Couldn't load pickup availability
Key Features
Key Features
- Cast iron and steel with moulded handwheel
- Replaces the compound rest
- Travel is 3.6"
- Dial graduations in 0.025 mm, 60 divisions
Share
WARNING: This product can expose you to chemicals known to the State of California to cause cancer and birth defects or other reproductive harm. For more information go to www.P65Warnings.ca.gov.
View full details
Product Information
Description
The 1681 mini lathe milling attachment replaces the compound rest on the mini lathe.
The vise opening is 1.9". The width of the vise is 2.6" and the depth is 1.4".
The travel is 3.6". The dial is graduated in 0.025 mm (approximately 0.001") and there are 60 divisions, so the advance is 1.5 mm (0.059") per revolution.
This lathe milling machine attachment should work on most any lathe with 7" or greater swing with the addition of a shop-made adapter block to adapt the bolt pattern to fit the lathe.
Chris' Tips
To use the milling attachment, you will need an end mill holder, a drawbar, and some end mills. See the compatibility box below for suggestions.
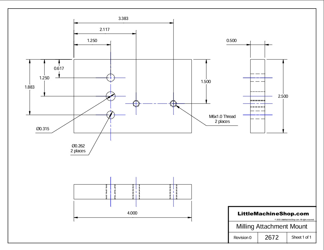
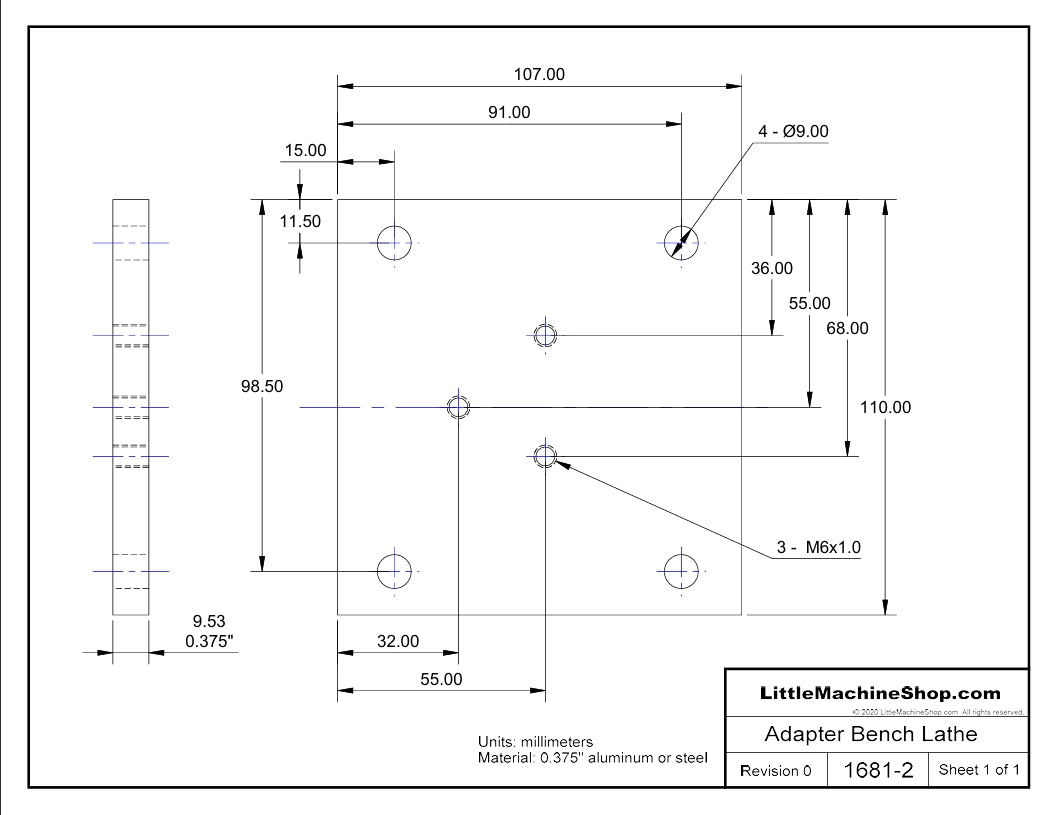
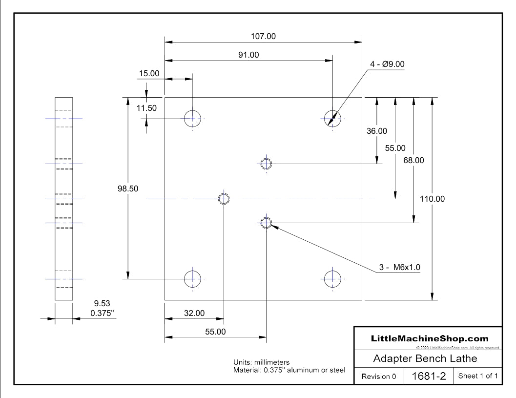
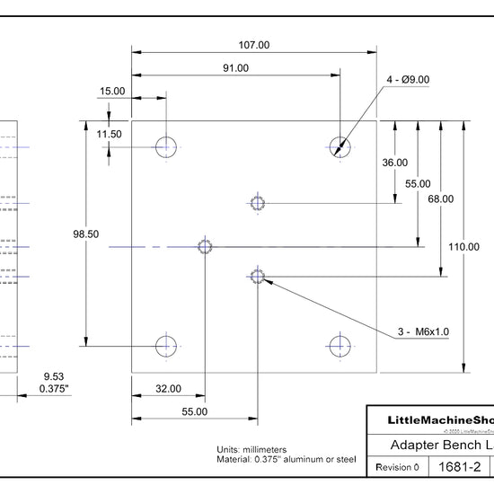
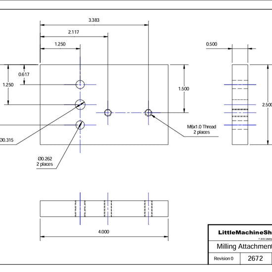
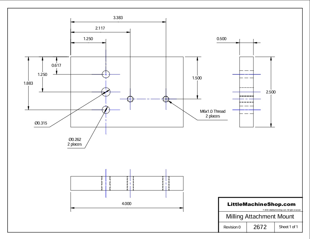
Below is a drawing of an adapter plate you can make that will mount the milling attachment on our bench lathe.
Also, there is a drawing of an optional mounting block you can make that centers the milling attachment on the cross slide.
Here's a picture of the milling attachment on a mini lathe.

Product Compatibility
This product was designed for machines manufactured by SIEG, including those listed below. We have added compatibility for other non-SIEG machines when a “fit” can be verified.
If your machine is not listed, we cannot verify compatibility but encourage you to contact us. With additional information we may be able to help you find a solution.
- Bolton CQ9318 7x12 Mini Lathe
- Busy Bee Tools CX704 Craftex 7x12 Mini Lathe
- Cummins (Tools Now) 5278 7x12 Mini Lathe
- Eastwood 32497 7x12 Mini Lathe
- Grizzly G8688 7x12 Mini Metal Lathe
- Harbor Freight 93799 Central Machinery 7x12 Mini Lathe
- Homier 03911 Speedway 7x12 Mini Bench Metal Lathe
- LittleMachineShop.com 1014 LittleMachineShop.com 7x14 Mini Lathe
- LittleMachineShop.com 1012 LittleMachineShop.com 7x12 Mini Lathe
- Northern Tool 49656 KLUTCH 7x12 Mini Lathe
- Princess Auto 8507659 Powerfist 7x12 Mini Lathe
- SIEG C2 7x12 Mini Lathe
- Tormach 30689 7x12 Duality Lathe
- Travers Tools OT222300 OTMT 7x12 Mini Lathe
- Warco 3005 7x12 Mini Lathe (Imperial)
- Warco 3004 7x12 Mini Lathe (Metric)
- WEN 3455 WEN 7x12 Mini Lathe
- Micro-Mark 82500 MicroLux 7x12 Mini Lathe
- LittleMachineShop.com 4100 HiTorque 7x12 Mini Lathe
- LittleMachineShop.com 4200 HiTorque 7x12 Deluxe Mini Lathe
- SIEG SC2 7x12 Mini Lathe
- Micro-Mark 82710 MicroLux 7x14 Mini Lathe
- LittleMachineShop.com 4959 SIEG 7x14 Mini Lathe
- SIEG C3 7x14 Mini Lathe
- Big Dog BD-0618Ax300 7x14 Mini Lathe
- Big Dog BD-0618x300 7x14 Mini Lathe
- Warco 4820-350 7x14 Mini Lathe (Metric)
- Warco 4800-350 7x14 Mini Lathe (Imperial)
- Grizzly G0765 7x14 Mini Lathe
- Micro-Mark 84631 MicroLux 7x16 Mini Lathe
- LittleMachineShop.com 7350 HiTorque 7x16 Mini Lathe
- LittleMachineShop.com 5100 HiTorque 7x16 Mini Lathe
- LittleMachineShop.com 5200 HiTorque 7x16 Mini Lathe
- LittleMachineShop.com 7450 HiTorque 7x16 Mini Lathe
- Harbor Freight 44859 Central Machinery 8x12 Precision Mini Lathe
- BD-920N Jet 9x20 Lathe
- Grizzly G4000 9x19 Bench Lathe
- Harbor Freight 45861 Central Machinery 9x20 Bench Lathe